Abraçadeira BBS tipo W simples, placa de pressão em plástico, FT

Ref. 1187702 | EAN 4012196854332

Descrição do produto
Descrição do produto
Abraçadeira BBS tipo W, placa de pressão em plástico de polipropileno. Para montagem vertical e horizontal de 1 cabo individual em ferros angulares até < 40 mm. Com parafuso simples na placa de pressão, cabeça de parafuso hexagonal universal tam. 10, com fenda e fenda em cruz. Adequado para montagem em áreas interiores e exteriores. Recomenda-se o uso de uma contraplaca.


  • Livre de halogéneos: sem cloro, flúor e bromo
  • Communautés Européennes, Declaração de Conformidade CE conforme as directivas CE
  • Barra de ferro angular
  • Abraçadeira BBS para ferro angular com 40 mm de comprimento lateral
  • Pegada de CO₂ (PCF)
  • Embalagem sem plástico
  • Packaging made entirely from recycled cardboard
Dados técnicos

Dimensões

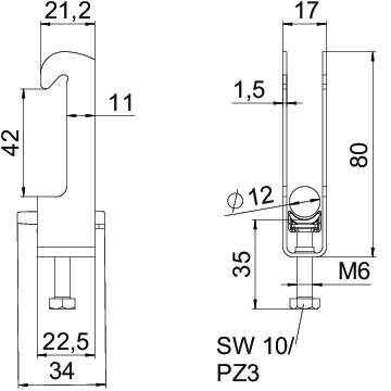
Altura 80 mm
Com contraplaca não
Com placa de plástico sim
Comprimento 22,5 mm
Comprimento exterior 34 mm
Dimensão 08-12mm
Espessura das chapas 1,5 mm
Intervalo de aperto D máx. 12 mm
Intervalo de aperto D mín. 8 mm
Largura 17 mm
Largura de rasgo 10 mm
Livre de halogéneos sim
Material Aço
Material adicional Aço
Material da cuba Plástico
Máx. Binário de aperto 3 Nm
Medida A 22,5 mm
Medida B 17 mm
Medida C 34 mm
Medida G (mm) M6
Medida H 80 mm
Medida L 35 mm
Medida t 1,5 mm
Número de cabos/tubos 1
para diâmetro de tubo máx. 12 mm
para diâmetro de tubo mín. 8 mm
Pegada de CO2 (GWP) do berço ao portão 0,1199 kg CO2e / 1 Peça
Qualidade do material da cuba Polipropileno
Rosca M6
Superfície Galvanizado por imersão a quente após maquinação
Superfície adicional galvanizado a quente por centrifugação
Tipo de montagem Perfil angular
Todos os tipos

Todos os tipos

Tipo Intervalo de aperto D mín. Intervalo de aperto D máx. Máx. Binário de aperto Ref. Quantidade Qte. minima fornec.
BS-W1-K-12 FT 8 mm 12 mm 3 Nm 1187702
100 Unidade
BS-W1-K-16 FT 12 mm 16 mm 3 Nm 1187708
100 Unidade
BS-W1-K-22 FT 16 mm 22 mm 3 Nm 1187714
100 Unidade
BS-W1-K-28 FT 22 mm 28 mm 3 Nm 1187720
100 Unidade
BS-W1-K-34 FT 28 mm 34 mm 3 Nm 1187726
100 Unidade
BS-W1-K-40 FT 34 mm 40 mm 3 Nm 1187732
100 Unidade
BS-W1-K-46 FT 40 mm 46 mm 5 Nm 1187738
100 Unidade
BS-W1-K-52 FT 46 mm 52 mm 5 Nm 1187744
100 Unidade
BS-W1-K-58 FT 52 mm 58 mm 5 Nm 1187750
50 Unidade
BS-W1-K-64 FT 58 mm 64 mm 5 Nm 1187756
50 Unidade
BS-W1-K-70 FT 64 mm 70 mm 5 Nm 1187762
50 Unidade
Downloads

Download

Download

Declaração de conformidade UE BS-W1-K-12 FT / 1187702 , 0.13MB , pdf
Download
Declaração de Conformidade do Reino Unido BS-W1-K-12 FT / 1187702 , 0.09MB , pdf
REACH Declaração de conformidade BS-W1-K-12 FT / 1187702 , 0.12MB , pdf

BS-W1-K-12 FT / 1187702
Download