Caixa de derivação T100, com ficha e tomada Wieland 1S4+1B4+2B3

Ref. 2007874 | EAN 4012195903666

136x102x57 mm
4
IP20
cinzento claro; RAL 7035
Descrição do produto
Descrição do produto
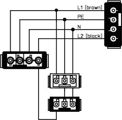
Caixa de derivação com ficha Wieland 1s4 3B3 para conectar cabos e condutas em áreas interiores e áreas exteriores protegidas. Formato retangular com entradas quebráveis nas laterais e entradas quebráveis na base. Adequado para a montagem na parede / teto e para a montagem em suportes para caixas de derivação. Com opção de fixação interna e montagem através de parafusos nos cantos. Tampa com fecho rápido, pode ser selada a chumbo. Fabricada em materiais resistentes aos raios UV e livres de halogéneo.

Caixa de derivação de acordo com a DIN EN 60670. Resistente ao fio incandescente segundo a DIN EN 60695-2-11, temperatura de ensaio 650 °C.
Dimensões internas: 136x102x57 mm
  • Livre de halogéneos: sem cloro, flúor e bromo
  • Resistência ao fio incandescente a 650°C
  • Communautés Européennes, Declaração de Conformidade CE conforme as directivas CE
  • Declaração de conformidade UKCA
  • Grau de proteção IP 20
  • Tensão nominal de 500 V
  • Installation electrotechnical expertise
  • Pegada de CO₂ (PCF)
Dados técnicos

Dados técnicos

Agrupável sim
Altura 67 mm
Com blindagem não
Com tampa sim
Comprimento 150 mm
Cor cinzento claro; RAL 7035
Dimensão 150x116x67
Dimensões internas 136x102x57 mm
Entrada pela parte de trás sim
Fixação da tampa aparafusado
Forma retangular
Funktionsgaranti sem
Gama de temperaturas de aplicação máx. 60 °C
Gama de temperaturas de aplicação mín. -5 °C
Grau de proteção IP20
Largura 116 mm
Livre de halogéneos sim
Material Polipropileno
Montagem Outros
Número de entradas 4
para zona Ex com gás sem
para zona Ex com poeira sem
Para zonas potencialmente explosivas sem
Pegada de CO2 (GWP) do berço ao portão 0,6862 kg CO2e / 1 Peça
resistência ao fio incandescente conforme a VDE 0471/DIN 695 Parte 2-1, temperatura de ensaio 650 °C
Resistente a intempéries não
Secção transversal nominal mín. 2,5 mm²
Selável sim
Tampa não transparente
Tampa transparente não
Tensão de isolamento do dimensionamento Ui 500 V
Tensões nominais 500 V
Tipo de entrada Entradas de alívio de tensão para perfuração direta para diâmetros de cabo de 7-21 mm
Tipo de montagem Montagem na parede/teto
Tipo de versão da caixa Marcação
Versão verificada quanto a explosões não
Todos os tipos

Todos os tipos

Tipo Dimensões internas Número de entradas Grau de proteção Cor Ref. Quantidade Qte. minima fornec.
T100 WS 1S3 3S3A 136x102x57 mm 4 IP20 cinzento claro; RAL 7035 2007870
1 Unidade
T100 WS 1S4 2S3C 136x102x57 mm 4 IP20 cinzento claro; RAL 7035 2007874
1 Unidade
T100 WS 1S3 2S3D 136x102x57 mm 4 IP20 cinzento claro; RAL 7035 2007876
1 Unidade
Downloads

Download

Download
Download
Download

Declaração de conformidade UE T100 WS 1S4 2S3C / 2007874 , 0.13MB , pdf
Download
Declaração de Conformidade do Reino Unido T100 WS 1S4 2S3C / 2007874 , 0.09MB , pdf

T100 WS 1S4 2S3C / 2007874
Download