Caminho de cabos em chapa MKS-Magic® 60 FS

Ref. 6059000 | EAN 4012195829553

3050 mm
60 mm
1 mm
não
zinco
Aço
galvanizado pelo método Sendzimir
Descrição do produto
Descrição do produto
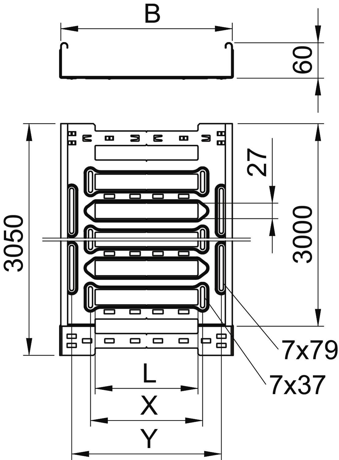
Caminho de cabos em chapa com união de encaixe rápido integrada. O comprimento útil do caminho de cabos em chapa é de 3.000 mm.

O caminho de cabos possui uma perfuração lateral contínua de 7 x 20 mm para a instalação de componentes adicionais de ligação e montagem.

Caminho de cabos com largura de 200 mm com perfuração de 30%, de acordo com a diretriz VdS 2092, adequado para uso em sistemas de aspersão.

A ligação equipotencial continua é garantida sem componentes adicionais.

  • VDE (Associação de Eletrotécnia, Eletrónica e Tecnologias da Informação), Alemanha
  • Communautés Européennes, Declaração de Conformidade CE conforme as directivas CE
  • Declaração de conformidade UKCA
  • Environmental Product Declaration (EPD)
  • Pegada de CO₂ (PCF)
Dados técnicos

Dados técnicos

Aço inoxidável, decapado não
Altura 60 mm
Atenuação da blindagem magnética com tampa 50 dB
Atenuação da blindagem magnética sem tampa 20 dB
Classe de carga NEMA 8A
Com tampa não
Comprimento 3050 mm
Comprimento útil 3000 mm
Cor zinco
Dimensão 60x100x3050
Distância de apoio de 1,5m 1,6 kN/m
Distância de apoio de 2,0m 1,1 kN/m
Distância de apoio de 2,5m 0,7 kN/m
Espessura das chapas 1 mm
Funktionsgaranti não
Instalação no pavimento sim
Largura 100 mm
Material Aço
Medida B 100 mm
Medida L 30 mm
Medida y 62 mm
Pegada de CO2 (GWP) do berço ao portão 4,4106 kg CO2e / 1 Metro
Perfuração lateral sim
Representação de orifícios NATO não
Secção transversal útil 58 cm²
Secção transversal útil 5800 mm²
Superfície galvanizado pelo método Sendzimir
Tipo de conector sistema de caminhos de cabos Fixação por "click"
Tipo de ensaio de carga de acordo com IEC 61537 Tipo II
Versão conector União integrada
Versão para grandes cargas não

Dados técnicos

Diagrama de cargas do caminho de cabos do tipo MKSM 60

Diagrama de cargas do caminho de cabos do tipo MKSM 60
  • Carga dos caminhos de cabos em chapa e das escadas para cabos em kN/m sem carga suportada pelo utilizador Carga dos caminhos de cabos em chapa e das escadas para cabos em kN/m sem carga suportada pelo utilizador
  • Distância entre apoios em m Distância entre apoios em m
  • Deflexão da travessa em mm com a kN/m permitida Deflexão da travessa em mm com a kN/m permitida
  • Esquema de carga no procedimento do teste Esquema de carga no procedimento do teste
  • Curva de carga com largura do caminho de cabos em mm Curva de carga com largura do caminho de cabos em mm
  • Curva de deflexão da travessa conforme distância entre apoios Curva de deflexão da travessa conforme distância entre apoios
Todos os tipos

Todos os tipos

Tipo Comprimento Largura Altura Espessura das chapas Funktionsgaranti Cor Material Superfície Ref. Quantidade Qte. minima fornec.
MKSM 610 FS 3050 mm 100 mm 60 mm 1 mm não zinco Aço galvanizado pelo método Sendzimir 6059000
3 m
MKSM 615 FS 3050 mm 150 mm 60 mm 1 mm não zinco Aço galvanizado pelo método Sendzimir 6059002
3 m
MKSM 620 FS 3050 mm 200 mm 60 mm 1 mm não zinco Aço galvanizado pelo método Sendzimir 6059004
3 m
MKSM 630 FS 3050 mm 300 mm 60 mm 1 mm não zinco Aço galvanizado pelo método Sendzimir 6059006
3 m
MKSM 640 FS 3050 mm 400 mm 60 mm 1 mm não zinco Aço galvanizado pelo método Sendzimir 6059008
3 m
MKSM 650 FS 3050 mm 500 mm 60 mm 1 mm não zinco Aço galvanizado pelo método Sendzimir 6059010
3 m
MKSM 660 FS 3050 mm 600 mm 60 mm 1 mm não zinco Aço galvanizado pelo método Sendzimir 6059012
3 m
Acessórios

Acessórios do sistema

Produtos Tipo Ref. Quantidade Qte. minima fornec.
Conjunto de união rápida Magic® FS Conjunto de união rápida Magic® FS KTSMV 610 FS 6068914
1 Unidade
Ângulo 45° 60 FS Ângulo 45° 60 FS RB 45 610 FS 6036100
1 Unidade
Ângulo 90° 60 FS Ângulo 90° 60 FS RB 90 610 FS 6036560
1 Unidade
Ângulo ajustável em ângulo 60 FS Ângulo ajustável em ângulo 60 FS RB W 610 FS 6037100
1 Unidade
Derivação simples 60 FS Derivação simples 60 FS RAA 610 FS 6042111
1 Unidade
Derivação em T 60 FS Derivação em T 60 FS RT 610 FS 6038100
1 Unidade
Cruzeta 60 FS Cruzeta 60 FS RK 610 FS 7027311
1 Unidade
Tampa com ferrolho FS Tampa com ferrolho FS DRL 100 FS 6052096
3 m
Separador 60 FS Separador 60 FS TSG 60 FS 6062068
3 m
Ângulo 90º Magic 60 FS Ângulo 90º Magic 60 FS RBM 90 610 FS 6041130
1 Unidade
Downloads

Download

Declaração de conformidade UE MKSM 610 FS / 6059000 , 0.13MB , pdf
Download
Declaração de Conformidade do Reino Unido MKSM 610 FS / 6059000 , 0.09MB , pdf
REACH Declaração de conformidade MKSM 610 FS / 6059000 , 0.12MB , pdf
RoHS Declaração de conformidade MKSM 610 FS / 6059000 , 0.12MB , pdf
Declaração Ambiental de Produto (DAP) MKSM 610 FS / 6059000 , 1.48MB , pdf
Download

Download
Download

MKSM 610 FS / 6059000
Download