Caminho de cabos em chapa RKS-Magic® 60, branco puro

Ref. 6048251 | EAN 4012195391258

3050 mm
60 mm
branco puro; RAL 9010
Aço
PES50 - Poliéster/Epóxido/Superfície de visualização revestida
Descrição do produto
Descrição do produto
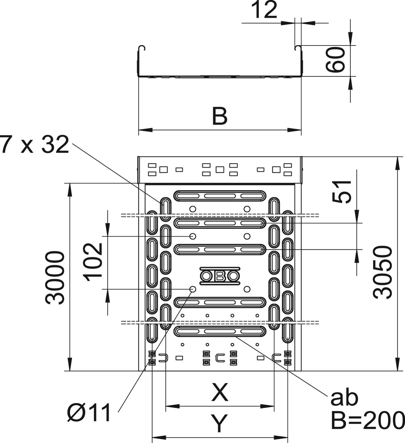
Caminho de cabos em chapa com união de encaixe rápido integrada. Perfuração lateral contínua de 7 x 20 mm para a instalação de componentes de ligação e de montagem adicionais. Com orifício de 11 mm no chão para a suspensão direta do varão roscado. Comprimento útil de 3000 mm.
Atenuação da blindagem magnética sem tampa 20 dB, com tampa 50 dB.

A superfície dos caminhos de cabos em chapa é galvanizada em contínuo e as superfícies visíveis são revestidas a pó de cor branca (RAL 9010).

Acessórios na cor branco (RAL 9010) revestidos a pó e e outras cores mediante pedido.

  • Communautés Européennes, Declaração de Conformidade CE conforme as directivas CE
  • Caminho de cabos em chapa, 60 mm de aba
  • Pegada de CO₂ (PCF)
Dados técnicos

Dados técnicos

Aço inoxidável, decapado não
Altura 60 mm
Base perfurada 1
Classe de carga NEMA 8AA
Com tampa não
Comprimento 3050 mm
Comprimento útil 3000 mm
Cor branco puro; RAL 9010
Dimensão 60x100x3050
Distância de apoio de 1,0 m 1,2 kN/m
Distância de apoio de 1,5m 0,9 kN/m
Distância de apoio de 2,0m 0,6 kN/m
Distância de apoio de 2,5m 0,4 kN/m
Espessura das chapas 0,75 mm
Funktionsgaranti sim
Instalação no pavimento sim
Largura 100 mm
Material Aço
Medida B 100 mm
Medida y 50 mm
Pegada de CO2 (GWP) do berço ao portão 3,2205 kg CO2e / 1 Metro
Perfuração lateral sim
Proteção antifogo Manutenção de funções estrutura de suporte específica para cabos
Representação de orifícios NATO não
Secção transversal útil 58 cm²
Secção transversal útil 5800 mm²
Superfície PES50 - Poliéster/Epóxido/Superfície de visualização revestida
Tipo de conector sistema de caminhos de cabos Fixação por "click"
Tipo de ensaio de carga de acordo com IEC 61537 Tipo II
Versão conector União integrada
Versão para grandes cargas não

Dados técnicos

Diagrama de cargas do caminho de cabos do tipo RKSM 60

Diagrama de cargas do caminho de cabos do tipo RKSM 60
  • Carga dos caminhos de cabos em chapa e das escadas para cabos em kN/m sem carga suportada pelo utilizador Carga dos caminhos de cabos em chapa e das escadas para cabos em kN/m sem carga suportada pelo utilizador
  • Distância entre apoios em m Distância entre apoios em m
  • Deflexão da travessa em mm com a kN/m permitida Deflexão da travessa em mm com a kN/m permitida
  • Esquema de carga no procedimento do teste Esquema de carga no procedimento do teste
  • Curva de carga com largura do caminho de cabos em mm Curva de carga com largura do caminho de cabos em mm
  • Curva de deflexão da travessa conforme distância entre apoios Curva de deflexão da travessa conforme distância entre apoios
Todos os tipos

Todos os tipos

Tipo Comprimento Largura Altura Espessura das chapas Funktionsgaranti Cor Material Superfície Ref. Quantidade Qte. minima fornec.
RKSM 610 FSK RW 3050 mm 100 mm 60 mm 0,75 mm sim branco puro; RAL 9010 Aço PES50 - Poliéster/Epóxido/Superfície de visualização revestida 6048251
6 m
RKSM 620 FSK RW 3050 mm 200 mm 60 mm 0,75 mm sim branco puro; RAL 9010 Aço PES50 - Poliéster/Epóxido/Superfície de visualização revestida 6048255
6 m
RKSM 630 FSK RW 3050 mm 300 mm 60 mm 0,75 mm sim branco puro; RAL 9010 Aço PES50 - Poliéster/Epóxido/Superfície de visualização revestida 6048257
6 m
RKSM 640 FSK RW 3050 mm 400 mm 60 mm 0,9 mm sim branco puro; RAL 9010 Aço PES50 - Poliéster/Epóxido/Superfície de visualização revestida 6048259
6 m
RKSM 650 FSK RW 3050 mm 500 mm 60 mm 0,9 mm não branco puro; RAL 9010 Aço PES50 - Poliéster/Epóxido/Superfície de visualização revestida 6048261
6 m
RKSM 660 FSK RW 3050 mm 600 mm 60 mm 0,9 mm não branco puro; RAL 9010 Aço PES50 - Poliéster/Epóxido/Superfície de visualização revestida 6048263
6 m
Downloads

Download

Declaração de conformidade UE RKSM 610 FSK RW / 6048251 , 0.13MB , pdf
Download

Download

Não estão disponíveis quaisquer memórias descritivas para este produto