Caminho de cabos SKS-Magic® 85 FT

Ref. 6059549 | EAN 4012195833086

3050 mm
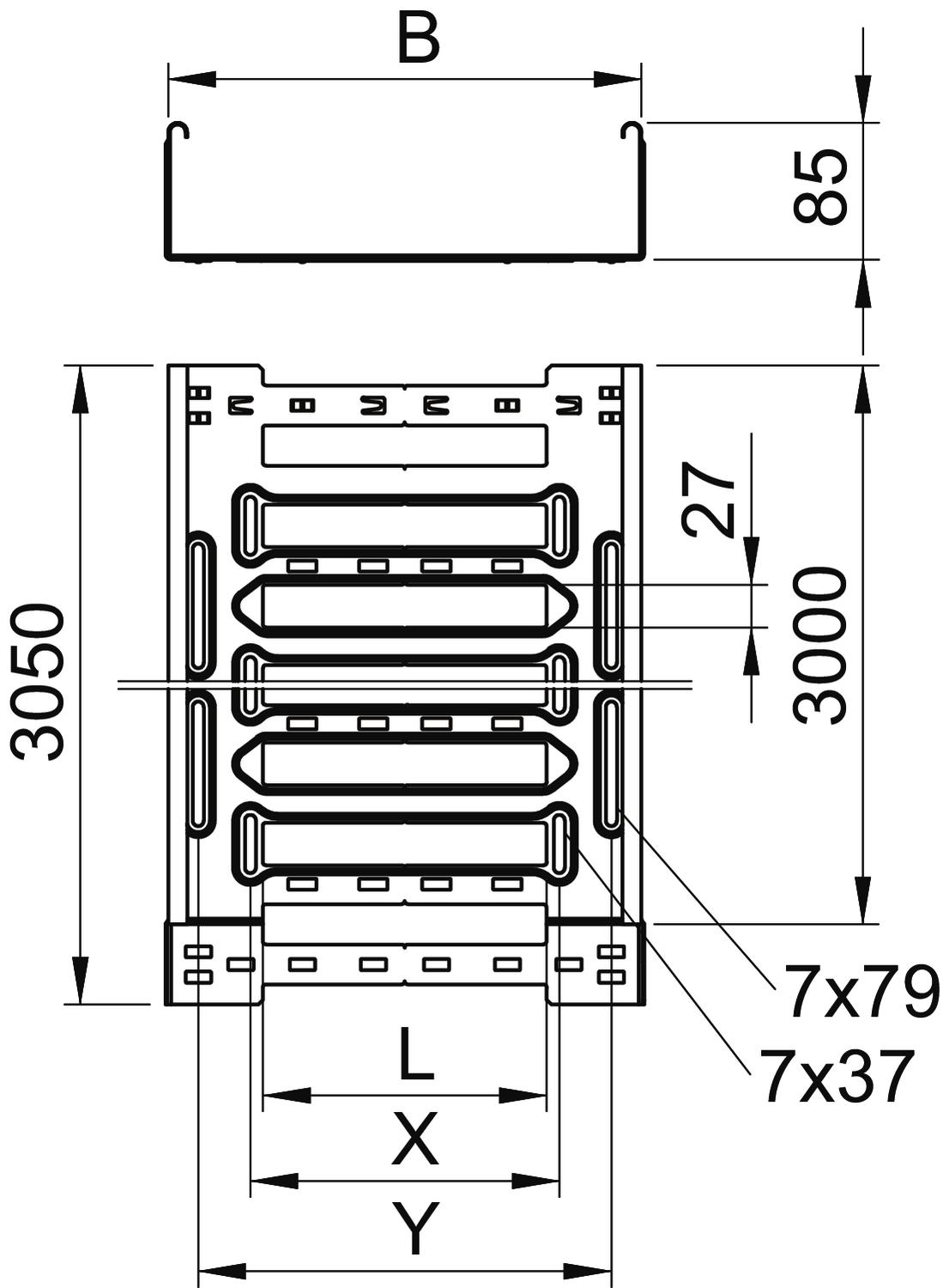
85 mm
1,5 mm
não
zinco
Aço
Galvanizado por imersão a quente após maquinação
Descrição do produto
Descrição do produto
Caminho de cabos em chapa com união de encaixe rápido integrada. O comprimento útil do caminho de cabos em chapa é de 3.000 mm.

O caminho de cabos possui uma perfuração lateral contínua de 7 x 20 mm para a instalação de componentes adicionais de ligação e montagem.

A partir da largura de caminhos de cabos em chapa de 200 mm com 30% de perfuração, conforme a diretiva VdS 2092, adequados para aplicação por baixo de sistemas de pulverizadores.

A ligação equipotencial continua é garantida sem componentes adicionais.

  • VDE (Associação de Eletrotécnia, Eletrónica e Tecnologias da Informação), Alemanha
  • Communautés Européennes, Declaração de Conformidade CE conforme as directivas CE
  • Declaração de conformidade UKCA
  • Environmental Product Declaration (EPD)
  • Pegada de CO₂ (PCF)
Dados técnicos

Dados técnicos

Aço inoxidável, decapado não
Altura 85 mm
Atenuação da blindagem magnética com tampa 50 dB
Atenuação da blindagem magnética sem tampa 20 dB
Com tampa não
Comprimento 3050 mm
Cor zinco
Dimensão 85x100x3050
Distância de apoio de 1,5m 3,4 kN/m
Distância de apoio de 2,0m 2,7 kN/m
Distância de apoio de 2,5m 2,07 kN/m
Distância de apoio de 3,0m 1,5 kN/m
Espessura das chapas 1,5 mm
Funktionsgaranti não
Instalação no pavimento sim
Largura 100 mm
Material Aço
Medida B 100 mm
Medida L 30 mm
Medida y 62 mm
Pegada de CO2 (GWP) do berço ao portão 7,6306 kg CO2e / 1 Metro
Perfuração lateral sim
Representação de orifícios NATO não
Secção transversal útil 83 cm²
Secção transversal útil 8300 mm²
Superfície Galvanizado por imersão a quente após maquinação
Tipo de conector sistema de caminhos de cabos Fixação por "click"
Tipo de ensaio de carga de acordo com IEC 61537 Tipo II
Versão conector União integrada
Versão para grandes cargas não

Dados técnicos

Diagrama de cargas do caminho de cabos do tipo SKSM 85

Diagrama de cargas do caminho de cabos do tipo SKSM 85
  • Carga dos caminhos de cabos em chapa e das escadas para cabos em kN/m sem carga suportada pelo utilizador Carga dos caminhos de cabos em chapa e das escadas para cabos em kN/m sem carga suportada pelo utilizador
  • Distância entre apoios em m Distância entre apoios em m
  • Deflexão da travessa em mm com a kN/m permitida Deflexão da travessa em mm com a kN/m permitida
  • Esquema de carga no procedimento do teste Esquema de carga no procedimento do teste
  • Curva de carga com largura do caminho de cabos em mm Curva de carga com largura do caminho de cabos em mm
  • Curva de deflexão da travessa conforme distância entre apoios Curva de deflexão da travessa conforme distância entre apoios
Todos os tipos

Todos os tipos

Tipo Comprimento Largura Altura Espessura das chapas Funktionsgaranti Cor Material Superfície Ref. Quantidade Qte. minima fornec.
SKSM 810 FT 3050 mm 100 mm 85 mm 1,5 mm não zinco Aço Galvanizado por imersão a quente após maquinação 6059549
3 m
SKSM 820 FT 3050 mm 200 mm 85 mm 1,5 mm não zinco Aço Galvanizado por imersão a quente após maquinação 6059553
3 m
SKSM 830 FT 3050 mm 300 mm 85 mm 1,5 mm não zinco Aço Galvanizado por imersão a quente após maquinação 6059555
3 m
SKSM 840 FT 3050 mm 400 mm 85 mm 1,5 mm não zinco Aço Galvanizado por imersão a quente após maquinação 6059557
3 m
SKSM 850 FT 3050 mm 500 mm 85 mm 1,5 mm não zinco Aço Galvanizado por imersão a quente após maquinação 6059559
3 m
SKSM 860 FT 3050 mm 600 mm 85 mm 1,5 mm não zinco Aço Galvanizado por imersão a quente após maquinação 6059561
3 m
Acessórios

Acessórios do sistema

Produtos Tipo Ref. Quantidade Qte. minima fornec.
Conjunto de união rápida Magic DD Conjunto de união rápida Magic DD KTSMV 810 DD 6069024
1 Unidade
Ângulo 45º 85 FT Ângulo 45º 85 FT RB 45 810 FT 6036230
1 Unidade
Ângulo 90º 85 FT Ângulo 90º 85 FT RB 90 810 FT 6036712
1 Unidade
Ângulo ajustável 85 FT Ângulo ajustável 85 FT RB W 810 FT 6037220
1 Unidade
Derivação simples 85 FT Derivação simples 85 FT RAA 810 FT 6042231
1 Unidade
Derivação em T 85 FT Derivação em T 85 FT RT 810 FT 6038230
1 Unidade
Cruzeta 85 FT Cruzeta 85 FT RK 810 FT 7027431
1 Unidade
Tampa com ferrolho DD Tampa com ferrolho DD DRL 100 DD 6052703
3 m
Separador 85 DD Separador 85 DD TSG 85 DD 6062331
3 m
Ângulo variável Magic 85 FT Ângulo variável Magic 85 FT RBMV 810 FT 6040600
1 Unidade
Downloads

Download

Declaração de conformidade UE SKSM 810 FT / 6059549 , 0.13MB , pdf
Download
Declaração de Conformidade do Reino Unido SKSM 810 FT / 6059549 , 0.09MB , pdf
REACH Declaração de conformidade SKSM 810 FT / 6059549 , 0.12MB , pdf
RoHS Declaração de conformidade SKSM 810 FT / 6059549 , 0.12MB , pdf
Declaração Ambiental de Produto (DAP) SKSM 810 FT / 6059549 , 1.48MB , pdf
Download

Download
Download

SKSM 810 FT / 6059549
Download