Caminho de cabos tipo escada LG 110, 6 m VS FT

Ref. 6216477 | EAN 4012195065432

6000 mm
1,5 mm
não
Aço
Galvanizado por imersão a quente após maquinação
Descrição do produto
Descrição do produto
Caminho de cabos tipo escada com aba perfurada de 110 mm, degraus do perfil C abertos para cima.
Atenuação da blindagem magnética sem tampa 10 dB, com tampa 15 dB.

O caminho de cabos tipo escada é fornecido fechado.

Poderá encontrar a abraçadeira BBS adequada, do tipo 2056, no capítulo: Escadas verticais.

  • Atenuação da blindagem Magnética
  • Communautés Européennes, Declaração de Conformidade CE conforme as directivas CE
  • Declaração de conformidade UKCA
  • Caminho de cabos tipo escada, 110 mm de altura lateral
  • Environmental Product Declaration (EPD)
  • Pegada de CO₂ (PCF)
Dados técnicos

Dados técnicos

Aço inoxidável, decapado não
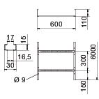
Altura 110 mm
Comprimento 6000 mm
Cor zinco
Dimensão 110x600x6000
Dimensão 110x600x6000
Dimensão de ranhura degrau 16,50
Distância de apoio de 2,0m 3,1 kN/m
Distância de apoio de 2,5m 2 kN/m
Distância de apoio de 3,0m 1,4 kN/m
Distância de apoio de 3,5m 0,9 kN/m
Distância de apoio de 4,0m 0,65 kN/m
Distância de apoio de 4,5m 0,55 kN/m
Distância de apoio de 5,0m 0,5 kN/m
Distância de apoio de 6,0m 0,15 kN/m
Distância entre as travessas 300 mm
Espessura da travessa 1,5 mm
Fixação do degrau rebite cego
Funktionsgaranti não
Largura 600 mm
Material Aço
Medida B 600 mm
Pegada de CO2 (GWP) do berço ao portão 10,9889 kg CO2e / 1 Metro
Perfuração lateral sim
Secção transversal útil 56800 mm²
Secção transversal útil 568 cm²
Superfície Galvanizado por imersão a quente após maquinação
Versão do perfil lateral perfil plano
Versão dos degraus Perfil perfurado
Versão para grandes cargas não

Dados técnicos

Diagrama de cargas do caminho de cabos tipo LG 110 VS

Diagrama de cargas do caminho de cabos tipo LG 110 VS
  • Carga dos caminhos de cabos em chapa e das escadas para cabos em kN/m sem carga suportada pelo utilizador Carga dos caminhos de cabos em chapa e das escadas para cabos em kN/m sem carga suportada pelo utilizador
  • Distância entre apoios em m Distância entre apoios em m
  • Deflexão da travessa em mm com a kN/m permitida Deflexão da travessa em mm com a kN/m permitida
  • Esquema de carga no procedimento do teste Esquema de carga no procedimento do teste
  • Curva de carga com largura do caminho de cabos em mm Curva de carga com largura do caminho de cabos em mm
  • Curva de deflexão da travessa conforme distância entre apoios Curva de deflexão da travessa conforme distância entre apoios
Todos os tipos

Todos os tipos

Tipo Comprimento Largura Espessura da travessa Funktionsgaranti Material Superfície Ref. Quantidade Qte. minima fornec.
LG 112 VS 6 FT 6000 mm 200 mm 1,5 mm não Aço Galvanizado por imersão a quente após maquinação 6216465
6 m
LG 113 VS 6 FT 6000 mm 300 mm 1,5 mm não Aço Galvanizado por imersão a quente após maquinação 6216468
6 m
LG 114 VS 6 FT 6000 mm 400 mm 1,5 mm não Aço Galvanizado por imersão a quente após maquinação 6216471
6 m
LG 115 VS 6 FT 6000 mm 500 mm 1,5 mm não Aço Galvanizado por imersão a quente após maquinação 6216474
6 m
LG 116 VS 6 FT 6000 mm 600 mm 1,5 mm não Aço Galvanizado por imersão a quente após maquinação 6216477
6 m
Acessórios

Acessórios do sistema

Produtos Tipo Ref. Quantidade Qte. minima fornec.
União reta FT União reta FT LVG 110 FT 6216548
10 Unidade
União multifuncional FT União multifuncional FT LMFV 1160 FT 6225780
1 Unidade
Tampa com ferrolho FT Tampa com ferrolho FT DRL 600 FT 6051472
3 m
Separador 85 DD Separador 85 DD TSG 85 DD 6062331
3 m
Subida de cabos FT Subida de cabos FT LAB 60 FT 6220479
1 Unidade

Acessórios de montagem

Produtos Tipo Ref. Quantidade Qte. minima fornec.
Proteção de topo Proteção de topo SKH 110 OR 6222553
20 Par
Fixador para fixação de separador A2 Fixador para fixação de separador A2 KS KL A2 6062284
30 Unidade
Downloads

Download

Declaração de conformidade UE LG 116 VS 6 FT / 6216477 , 0.13MB , pdf
Download
Declaração de Conformidade do Reino Unido LG 116 VS 6 FT / 6216477 , 0.09MB , pdf
REACH Declaração de conformidade LG 116 VS 6 FT / 6216477 , 0.12MB , pdf
Declaração Ambiental de Produto (DAP) LG 116 VS 6 FT / 6216477 , 1.48MB , pdf
Download

Download
Download

LG 116 VS 6 FT / 6216477
Download