Coluna para indústria, tipo ISS160160IP6

Ref. 6290406 | EAN 4012196191451

6290406 / ISS160160IP6 EL
6000 mm
Descrição do produto
Descrição do produto
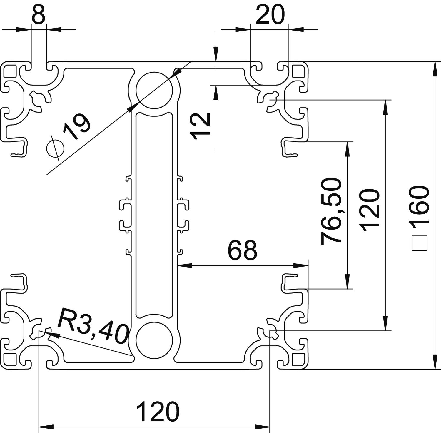
Coluna de distribuição ISS para equipamento de áreas de montagem em zonas de fabrico. O perfil em alumínio anodizado, na versão rígida, dispõe de 2 lados opostos com uma abertura do sistema de 76,5 mm para o alojamento de adaptadores para aparelhos, de encaixe frontal, da série 71GD ou suportes de montagem da série 71MT. Nos 4 lados dos perfis encontra-se uma porca de montagem com medida padrão nominal de 8 para a montagem de diferentes peças para funções adicionais (sistema modular). O volume de fornecimento contém o perfil da coluna bem como as tampas necessárias para as aberturas do sistema com comprimentos de 2000 mm e um saco em PE com 20 grampos de retenção adicionais de tipo RKV3V, para permitir aberturas parciais da tampa. Dois canais fechados no interior do perfil podem ser utilizados opcionalmente para a alimentação de ar comprimido.
  • VDE (Associação de Eletrotécnia, Eletrónica e Tecnologias da Informação), Alemanha
  • Communautés Européennes, Declaração de Conformidade CE conforme as directivas CE
  • Declaração de conformidade UKCA
  • Pegada de CO₂ (PCF)
Dados técnicos

Dimensões

Altura 160 mm
Altura da coluna mín. 6000 mm
Comprimento 6000 mm
Cor alumínio
Dimensão 6000x160x160
Entrada de cabo em cima/em baixo
Forma das colunas quadrada
Gama de temperaturas de aplicação máx. 60 °C
Gama de temperaturas de aplicação mín. -25 °C
Grau de proteção IP 30
Grau de proteção código IK IK10
Instalação no teto sim
Largura 160 mm
Largura da tampa 76,5 mm
Livre de halogéneos sim
Material Alumínio
Montagem no pavimento sim
Móvel não
Número de tampas aplicáveis 2
Número de vias 2 St.
Pegada de CO2 (GWP) do berço ao portão 814,0582 kg CO2e / 1 Peça
Perfil contínuo sim
Pré-cablada não
Regulável não
Superfície anodizado
Tipo de fixação Rasgo de montagem
Versão bilateral
Todos os tipos

Todos os tipos

Tipo Comprimento Ref. Quantidade Qte. minima fornec.
ISS160160IP6 EL 6000 mm 6290406
1 Unidade
Acessórios

Acessórios do sistema

Produtos Tipo Ref. Quantidade Qte. minima fornec.
Caixa de aparelhagem 71GD6, simples Caixa de aparelhagem 71GD6, simples 71GD6 6288610
5 Unidade
Caixa de aparelhagem 71GD7-2, duplo Caixa de aparelhagem 71GD7-2, duplo 71GD7-2 6288608
2 Unidade
Tampa da calha em alumínio Tampa da calha em alumínio GA-OTEL 6279723
2 m
Grampo de ligação RKV3V Grampo de ligação RKV3V RKV3V 6288700
20 Unidade
Fixador de teto para colunas industriais Fixador de teto para colunas industriais ISS160160DB WA 6290436
1 Unidade
Base para coluna industrial Base para coluna industrial ISS160160BP WA 6290416
1 Unidade
Borne de terra Borne de terra 8AWR 6288704
10 Unidade

Acessórios de montagem

Produtos Tipo Ref. Quantidade Qte. minima fornec.
Separador GK-TW70 Separador GK-TW70 GK-TW70 6274900
2 m
Downloads

Download

Declaração de conformidade UE ISS160160IP6 EL / 6290406 , 0.13MB , pdf
Download
Declaração de Conformidade do Reino Unido ISS160160IP6 EL / 6290406 , 0.09MB , pdf

ISS160160IP6 EL / 6290406
Download