Descarregador de sobretensões para sistemas LED ÜSM-20-230I1PE65

Ref. 5092433 | EAN 4012196515431

5092433 / ÜSM-20-230I1PE65
1+N/PE
255 V
IP65
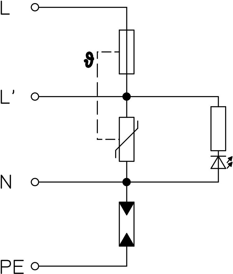
Descrição do produto
Descrição do produto
Descarregador de sobretensões, tipo 2+3, conforme a DIN EN 61643-11 para redes 230/400V.

Adequado para proteção de iluminação LED.



• Com indicação de funcionamento e corte do circuito de corrente de carga em caso de avaria do SPD
• Tamanho reduzido para instalação em caixas de terminais de postes ou em frente ao controlador
• Circuito de proteção 1+NPE com capacidade máxima de descarga de 20 kA
• Limitação da sobretensão abaixo de 1500 V ou 1000 V @ 5 kA
• Com ou sem corte de luzes em situação de avaria

Aplicação: em caixas de passagem de cabos, caixas de derivação, calhas para cabos e até sistemas de chão.
Para proteção de aparelhos eletrónicos contra sobretensões, como p. ex. iluminação LED
  • 5 anos de garantia
  • Communautés Européennes, Declaração de Conformidade CE conforme as directivas CE
  • Conformidade EurAsian
  • Transição de LPZ 1 a 3.
  • Dispositivo de proteção conforme EN 61643-11 ou IEC 61643-11
  • Installation electrotechnical expertise
  • Pegada de CO₂ (PCF)
Dados técnicos

Dimensões

Altura 19 mm
Classe de verificação tipo 2 sim
Classe de verificação tipo 3 sim
Classificação segundo EN 61643-11 Tipo 2+3
Classificação segundo IEC 61643-1 classe II+III
Comprimento 250 mm
Comprimento do cabo de ligação 0,25 m
Dimensão 230V
Fusível máx. a montante 16 A
Gama de temperaturas de aplicação máx. 80 °C
Gama de temperaturas de aplicação mín. -40 °C
Grau de proteção IP65
Intensidade nominal de descarga (8/20 µs) 10 kA
Intensidade nominal de descarga (8/20 µs) [L-N] 10 kA
Intensidade nominal de descarga (8/20 µs) [N-PE] 10 kA
Largura 40 mm
LPZ 1→2
Nível de proteção em conjunto [L-PE] 1,6 kV
Nível de proteção [L-N] ≤1,5
OBO_Corrente de carga nominal (terminal de entrada/de saída) 16 A
Pegada de CO2 (GWP) do berço ao portão 0,0394 kg CO2e / 1 Peça
Potência de dissipação (8/20 µs) [total] 20 kA
Potência de dissipação máxima (8/20 μs) 20 kA
Potência de dissipação máxima (8/20 μs) [L-N] 10 kA
Potência de dissipação nominal máxima (8/20 μs) [N-PE] 10 kA
Proteção máxima da rede elétrica contra sobretensões 16
Sinalização no aparelho ótico
Temperatura operacional máx. 80 °C
Temperatura operacional mín. -40 °C
Tempo de resposta <25 ns
Tensão contínua máxima (N-PE) 255 V
Tensão continua máxima CA 255 V
Tensão máxima de funcionamento (L-N) 255 V
Tensão nominal CA (50 / 60 Hz) 230 V
Tipo de montagem Outros
Versão 1 polo + NPE para SK I
Versão do polo 1+N/PE
Todos os tipos

Todos os tipos

Tipo Versão do polo Tensão continua máxima CA Grau de proteção Ref. Quantidade Qte. minima fornec.
ÜSM-20-230I1PE65 1+N/PE 255 V IP65 5092433
1 Unidade
Downloads

Download

Declaração de conformidade UE ÜSM-20-230I1PE65 / 5092433 , 0.13MB , pdf
Download

ÜSM-20-230I1PE65 / 5092433
Download