Descarregador de sobretensões V20, 2 polo + NPE e FS 150 V

Ref. 5095322 | EAN 4012196162963

5095322 / V20-2+NPE+FS-150
2+N/PE
150 V
IP20
Descrição do produto
Descrição do produto
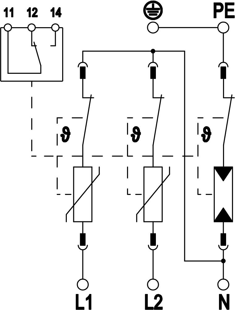
Descarregador de sobretensões do tipo 2


• para a ligação equipotencial de proteção contra sobretensões conforme a VDE 0100-443 (IEC 60364-4-44)

• capacidade de descarga até 40 kA (8/20) por polo através do varistor com capacidade de alto desempenho

• descarregador modular, enfichável, com dispositivo de separação e indicador visual de funcionamento

• função de encaixe com proteção contra vibrações e código de tensão

• plástico conforme a UL 94 V-0

• as variantes FS dispõem de um contacto inversor livre de potencial para sinalização remota


Aplicação: ligação equipotencial e proteção de equipamentos em quadros de distribuição principais e parciais.
  • Underwriters Laboratories Inc., USA + CSA, Canadá
  • Österreichischer Verband für Elektrotechnik (Associação Austríaca para a Electrotecnia), Áustria
  • VDE (Associação de Eletrotécnia, Eletrónica e Tecnologias da Informação), Alemanha
  • KEMA-KEUR, Holanda
  • 5 anos de garantia
  • Communautés Européennes, Declaração de Conformidade CE conforme as directivas CE
  • Conformidade EurAsian
  • Dispositivo de proteção conforme EN 61643-11 ou IEC 61643-11
  • Transição de LPZ 1 para 2
  • Installation electrotechnical expertise
  • Sinalização remota
  • Pegada de CO₂ (PCF)
  • Embalagem sem plástico
  • Packaging made entirely from recycled cardboard
Dados técnicos

Dados técnicos

À prova de curto-circuito sim
Binário 4 Nm
Capacidade de extinção de "follow current" (eff) [N-PE] 0,1 kA
Classe de verificação tipo 2 sim
Classificação segundo EN 61643-11 Tipo 2
Classificação segundo IEC 61643-1 classe II
Configuração de rede outros
Configuração de rede TN sim
Configuração de rede TN-C-S sim
Configuração de rede TN-S sim
Configuração de rede TT sim
Contactos FM Inversor
Dimensão 150V
Distância mínima 1,5 mm
Fluxo de ar não
Fusível integrado não
Fusível máx. a montante 160 A
Gama de temperaturas de aplicação máx. 80 °C
Gama de temperaturas de aplicação mín. -40 °C
Grau de proteção IP20
Humidade do ar máx. 95 %
Humidade do ar mín. 5 %
Intensidade nominal de descarga (8/20 µs) 20 kA
Intensidade nominal de descarga (8/20 µs) [L-N] 20 kA
Intensidade nominal de descarga (8/20 µs) [N-PE] 40 kA
Material da caixa PA UL 94 V-0
Nível de proteção em conjunto [L-PE] 1,2 kV
Nível de proteção [L-N] ≤0,8
Número de polos 3
Pegada de CO2 (GWP) do berço ao portão 1,5611 kg CO2e / 1 Peça
Permissões VDE, KEMA, UL, ÖVE
Potência de comutação CA 230 V; 0,5 A
Potência de comutação CC 230 V; 0,1 A / 75 V; 0,5 A
Potência de dissipação (8/20 µs) [total] 60 kA
Potência de dissipação máxima (8/20 μs) 40 kA
Potência de dissipação máxima (8/20 μs) [L-N] 40 kA
Potência de dissipação nominal máxima (8/20 μs) [N-PE] 60 kA
Proteção máxima da rede elétrica contra sobretensões 160 A gL/gG
Resistência a curto-circuito com proteção máx. contra sobretensões na rede elétrica 50 kA eff
Secção transversal de ligação bornes FM máx. 1,5 mm²
Secção transversal de ligação bornes FM máx. 16 AWG
Secção transversal de ligação bornes FM mín. 0,5 mm²
Secção transversal de ligação bornes FM mín. 21 AWG
Secção transversal do condutor flexível (de fio fino) 2 AWG
Secção transversal do condutor flexível (de fio fino) 35 mm²
Secção transversal do condutor rígida (de um fio/vários fios) máx. 2 AWG
Secção transversal do condutor rígida (de um fio/vários fios) máx. 35 mm²
Secção transversal do condutor rígida (de um fio/vários fios) mín. 1,5 mm²
Secção transversal do condutor rígida (de um fio/vários fios) mín. 16 AWG
Secção transversal flexível (de fio fino) mín. 16 AWG
Secção transversal flexível (de fio fino) mín. 1,5 mm²
Sinalização à distância sim
Sinalização no aparelho ótico
Sobretensão temporária [L-N] - fail safe mode - 120 min 230 V
Sobretensão temporária [L-N] - withstand mode - 5 s 175 V
Sobretensão temporária [N-PE] - withstand mode - 200 ms 1200 V
SPD segundo a UL 1449 Tipo 4
Temperatura operacional máx. 80 °C
Temperatura operacional mín. -40 °C
Tempo de resposta <25 ns
Tensão contínua máxima (N-PE) 255 V
Tensão continua máxima CA 150 V
Tensão máxima de funcionamento (L-N) 150 V
Tensão nominal CA (50 / 60 Hz) 120 V
Tensão residual [L-N] @ 1 kA 0,5 kV
Tensão residual [L-N] @ 5 kA 0,6 kV
Tipo de montagem Calha DIN de 35 mm
Versão do polo 2+N/PE
Todos os tipos

Todos os tipos

Tipo Versão do polo Tensão continua máxima CA Grau de proteção Ref. Quantidade Qte. minima fornec.
V20-2+NPE+FS-150 2+N/PE 150 V IP20 5095322
1 Unidade
Downloads

Download

Download
Download

Declaração de conformidade UE V20-2+NPE+FS-150 / 5095322 , 0.13MB , pdf
Download

V20-2+NPE+FS-150 / 5095322
Download