Dispositivo de proteção combinada para sistemas RDIS e ADSL

Ref. 5081690 | EAN 4012196034352

5081690 / TD-4/I
4
120 V
170 V
RJ11
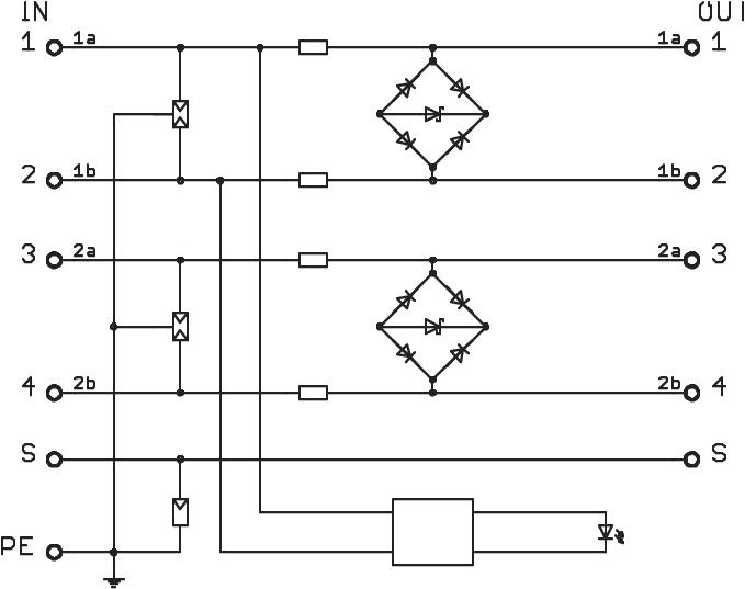
Descrição do produto
Descrição do produto
Aparelho de proteção para cabos de dados para equipamentos de telecomunicações


• Baixo nível de proteção com elevada carga de corrente

• Bornes "Push-In" para instalação rápida

• Largura de banda otimizada para transmissão segura

• Montagem à superfície

• Indicação visual de funcionamento


Aplicação: sistemas DSL, RDIS ou telecomunicações analógicas.
  • 5 anos de garantia
  • Communautés Européennes, Declaração de Conformidade CE conforme as directivas CE
  • Grau de proteção IP 54
  • Transição de LPZ 0 a 3.
  • Rede Digital Integrada de Serviços, aplicações RDIS
  • Digital Subscriber Line, aplicações DSL
  • Telecomunicações analógicas
  • Installation electrotechnical expertise
  • Pegada de CO₂ (PCF)
  • Embalagem sem plástico
  • Packaging made entirely from recycled cardboard
Dados técnicos

Dados técnicos

Amortecimento de inserção (Insertion loss) ≤3 dB
Blindagem indireto
Capacidade (fio-fio) <50 pF
Capacidade (fio-terra) <10 pF
Contacto para telecomunicações não
Cor branco
Corrente de carga nominal CA 0,14 A
Corrente de carga nominal CC 0,2 A
Corrente de impulso 2,5 kA
Corrente transitória total (8/20) 25 kA
Dimensão 170V
DST segundo IEC 61643-21 Classe I+II+III / D1+C2+C1
Frequência limite 100 MHz
Gama de temperaturas de aplicação máx. 80 °C
Gama de temperaturas de aplicação mín. -40 °C
Grau de proteção IP54
Kategorie Tipo 1+2+3 / D1+C2+C1
Ligação de blindagem sim
LPZ 0→3
Material Plástico
Monitorização do descarregador não
Nível de proteção blindagem - terra (S-PE) 850 V
Nível de proteção fio - fio <300 V
Nível de proteção fio - terra <650 V
Norma de ensaio IEC 61643-21
Número de polos 4
Pegada de CO2 (GWP) do berço ao portão 0,4171 kg CO2e / 1 Peça
Potência dissipada total (10/350) D1: 12,5 kA
Resistência da potência de dissipação nominal fio - fio C2: 18 kV / 9 kA (8/20µs)
Resistência da potência de dissipação nominal fio - terra C2: 18 kV / 9 kA (8/20µs)
Resistência de isolamento >1 MΩ
Resistência de série por fio 9 Ω ± 10 %
Secção transversal de ligação flexível máx. 0,75 mm²
Secção transversal de ligação flexível mín. 0,14 mm²
Secção transversal de ligação multifilar máx. 0,75 mm²
Secção transversal de ligação multifilar mín. 0,14 mm²
Secção transversal de ligação rígida máx. 0,75 mm²
Secção transversal de ligação rígida mín. 0,14 mm²
Sinalização no aparelho ótico
Sistema de encaixe RJ11
Tensão continua máxima CA 120 V
Tensão continua máxima CC 170 V
Versão verificada quanto a explosões não
Todos os tipos

Todos os tipos

Tipo Número de polos Tensão continua máxima CA Tensão continua máxima CC Sistema de encaixe Ref. Quantidade Qte. minima fornec.
TD-4/I 4 120 V 170 V RJ11 5081690
1 Unidade
Downloads

Download

Download
Download

Declaração de conformidade UE TD-4/I / 5081690 , 0.13MB , pdf
Download
REACH Declaração de conformidade TD-4/I / 5081690 , 0.12MB , pdf
RoHS Declaração de conformidade TD-4/I / 5081690 , 0.12MB , pdf

Download
Download

TD-4/I / 5081690
Download