- Descrição do produto
-
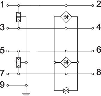
Descrição do produtoDispositivo de proteção de linhas de dados com função de teste, versão 12V
• Corrente de carga nominal 10 A
• Aparelho de proteção para sistemas multifilares
• Ligação direta à terra com blindagem e bornes de ligação sem rosca
• Poupança de espaço, largura de apenas 8,7 mm
• Possibilidade de testar circuito de proteção com Life Control
• Elevada largura de banda de 100 MHz
• Listado na UL (4DG1)
Aplicação: aplicação universal em calhas DIN perfilada de 35 mm em cada caixa de distribuição convencional.
-
- Dados técnicos
-
Dados técnicos
Amortecimento de inserção (Insertion loss) ≤3 dB Blindagem directo Capacidade (fio-fio) <40 pF Corrente de carga nominal CA 0,7 A Corrente de carga nominal CC 10 A Corrente transitória total (8/20) 10 kA Dimensão 12V DST segundo IEC 61643-21 Classe I+II+III / D1+C2+C1 Frequência limite 100 MHz Gama de temperaturas de aplicação máx. 80 °C Gama de temperaturas de aplicação mín. -40 °C Grau de proteção IP20 Kategorie Tipo 1+2+3 / D1+C2+C1 Ligação à terra através de: Calha DIN Ligação de blindagem sim LPZ 0→3 Nível de proteção fio - fio <55 V Nível de proteção fio - terra <800 V Norma de ensaio IEC 61643-21 Número de polos 4 Pegada de CO2 (GWP) do berço ao portão 0,2951 kg CO2e / 1 Peça Permissões UL Potência dissipada total (10/350) D1: 2 kA Resistência da potência de dissipação nominal fio - fio C1: 0,5 kV / 0,25 kA (8/20µs) Resistência de isolamento >100 MΩ Secção transversal de ligação flexível máx. 2,5 mm² Secção transversal de ligação flexível mín. 0,14 mm² Secção transversal de ligação multifilar máx. 1,5 mm² Secção transversal de ligação multifilar mín. 0,14 mm² Secção transversal de ligação rígida máx. 2,5 mm² Secção transversal de ligação rígida mín. 0,14 mm² Sinalização no aparelho verificável Sistema de encaixe Bornes Tensão continua máxima CA 10,5 V Tensão continua máxima CC 15 V Tensões nominais 12 V - Todos os tipos
- Downloads
-
Ficha técnica MDP-4 D-12-T-10 / 5098419 , 0.27MB , pdfNotas explicativas Guia para proteção contra descargas atmosféricas , 2.10MB , pdfCatálogo Surge protection , 28.42MB , pdfDeclaração de conformidade UE MDP-4 D-12-T-10 / 5098419 , 0.13MB , pdfREACH Declaração de conformidade MDP-4 D-12-T-10 / 5098419 , 0.12MB , pdfRoHS Declaração de conformidade MDP-4 D-12-T-10 / 5098419 , 0.13MB , pdfRelatório de teste Relatório Profibus PA , 0.25MB , pdfRelatório de teste Relatório Profibus DP , 0.20MB , pdfRelatório de teste Relatório Foundation Fieldbus , 0.24MB , pdfAuxiliar de seleção Proteção contra sobretensões simplificada - Guia de seleção TBS , 2.00MB , pdfAuxiliar de seleção Guia de seleção de proteção contra sobretensões , 2.00MB , pdfInformação técnica Informação técnica MDP-.../D-12-T-10 , 0.08MB , pdf
Portugal - Português