Dispositivo de proteção em série, 4 polos, versão 48 V

Ref. 5098450 | EAN 4012195406914

5098450 / MDP-4 D-48-T
4
41 V
58 V
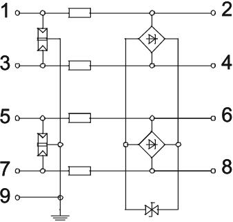
Bornes
Descrição do produto
Descrição do produto
Dispositivo de proteção de linhas de dados com função de teste, versão 48V
 
• Corrente de carga nominal 0,58 A
• Aparelho de proteção para sistemas multifilares
• Ligação direta à terra com blindagem e bornes de ligação sem rosca
• Poupança de espaço, largura de apenas 8,7 mm
• Possibilidade de testar circuito de proteção com Life Control
• Elevada largura de banda de 100 MHz
• Listado na UL (4DG1)
 
Aplicação: aplicação universal em calhas DIN perfilada de 35 mm em cada caixa de distribuição convencional.
  • Underwriters Laboratories Inc., EUA
  • 5 anos de garantia
  • Communautés Européennes, Declaração de Conformidade CE conforme as directivas CE
  • Sistemas de medição, de controlo e de regulação
  • LifeControl
  • Transição de LPZ 0 a 3.
  • Installation electrotechnical expertise
  • Pegada de CO₂ (PCF)
  • Embalagem sem plástico
Dados técnicos

Dados técnicos

Amortecimento de inserção (Insertion loss) ≤3 dB
Blindagem directo
Capacidade (fio-fio) < 40 pF
Contacto para telecomunicações não
Corrente de carga nominal CA 0,4 A
Corrente de carga nominal CC 0,58 A
Corrente transitória total (8/20) 10 kA
Dimensão 48V
DST segundo IEC 61643-21 Classe I+II+III / D1+C2+C1
Frequência limite 100 MHz
Gama de temperaturas de aplicação máx. 80 °C
Gama de temperaturas de aplicação mín. -40 °C
Grau de proteção IP20
Kategorie Tipo 1+2+3 / D1+C2+C1
Ligação à terra através de: Calha DIN
Ligação de blindagem sim
LPZ 0→3
Monitorização do descarregador não
Nível de proteção @ C1 <110 V
Nível de proteção fio - fio <95 V
Nível de proteção fio - terra <800 V
Norma de ensaio IEC 61643-21
Número de polos 4
Pegada de CO2 (GWP) do berço ao portão 0,3025 kg CO2e / 1 Peça
Permissões UL
Potência dissipada total (10/350) D1: 2 kA
Resistência da potência de dissipação nominal fio - fio C1: 0,5 kV / 0,25 kA (8/20µs)
Resistência da potência de dissipação nominal fio - terra C2: 5 kV / 2,5 kA (8/20µs)
Resistência de isolamento >100 MΩ
Resistência de série por fio 2,35 Ω ± 5 %
Secção transversal de ligação flexível máx. 2,5 mm²
Secção transversal de ligação flexível mín. 0,14 mm²
Secção transversal de ligação multifilar máx. 1,5 mm²
Secção transversal de ligação multifilar mín. 0,14 mm²
Secção transversal de ligação rígida máx. 2,5 mm²
Secção transversal de ligação rígida mín. 0,14 mm²
Sinalização no aparelho verificável
Sistema de encaixe Bornes
Tensão continua máxima CA 41 V
Tensão continua máxima CC 58 V
Tensões nominais 48 V
Versão verificada quanto a explosões não
Todos os tipos

Todos os tipos

Tipo Número de polos Tensão continua máxima CA Tensão continua máxima CC Sistema de encaixe Ref. Quantidade Qte. minima fornec.
MDP-4 D-48-T 4 41 V 58 V Bornes 5098450
1 Unidade
Downloads

Download

Download
Download

Declaração de conformidade UE MDP-4 D-48-T / 5098450 , 0.13MB , pdf
Download
REACH Declaração de conformidade MDP-4 D-48-T / 5098450 , 0.12MB , pdf
RoHS Declaração de conformidade MDP-4 D-48-T / 5098450 , 0.13MB , pdf

Download
Download

MDP-4 D-48-T / 5098450
Download