Placa de união em T, A2

Ref. 1124695 | EAN 4012195804956

1124695 / GMS 4 VP T A2
200 mm
40 mm
Descrição do produto
Descrição do produto
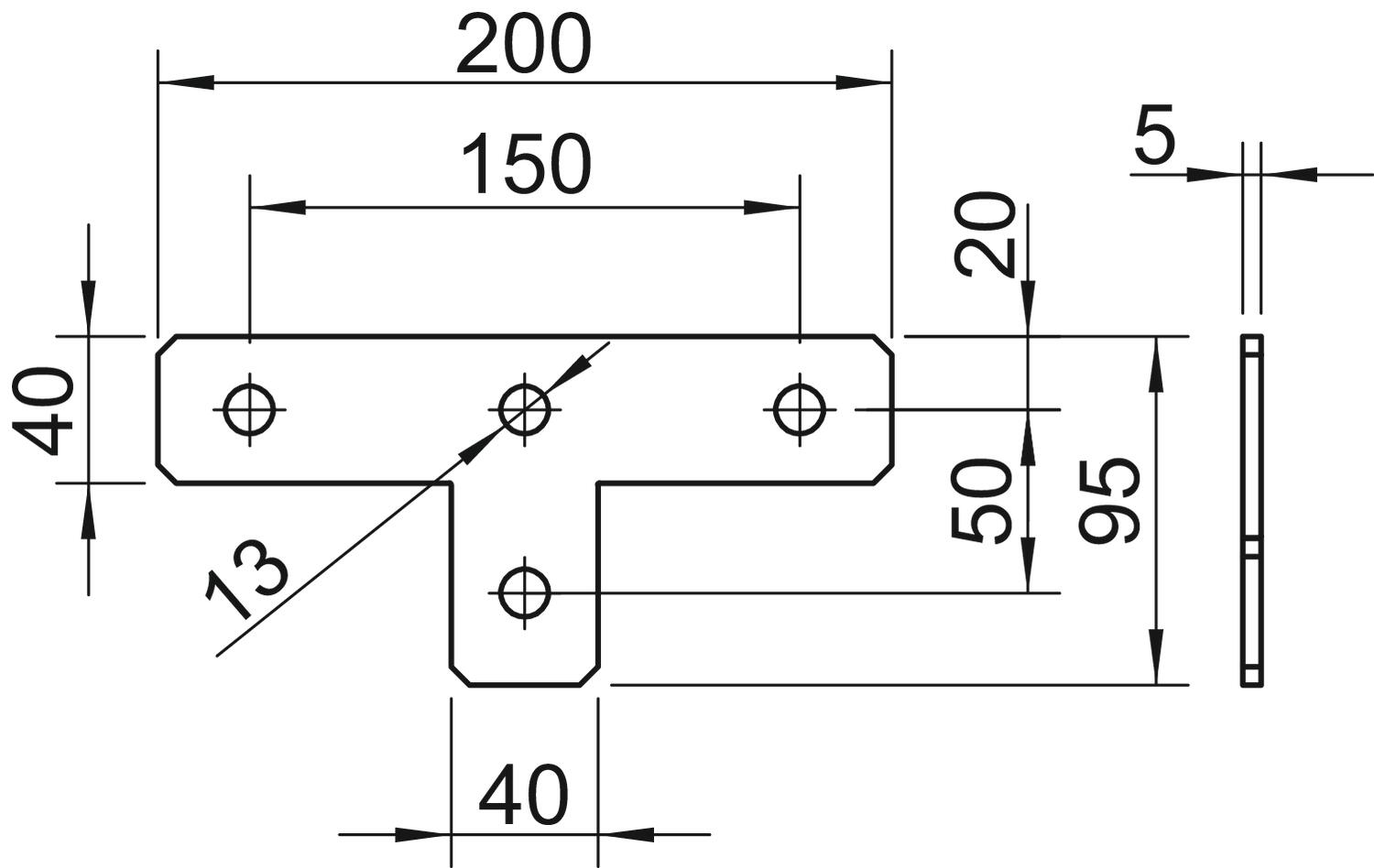
Tê com 4 orifícios para a ligação de perfis de 41 x 41 mm e 41 x 21 mm.


  • Communautés Européennes, Declaração de Conformidade CE conforme as directivas CE
  • Pegada de CO₂ (PCF)
Dados técnicos

Dados técnicos

Aço inoxidável, decapado não
Adequado para formas do perfil Perfil C
Altura 4 mm
Com acessórios de parafusos não
Comprimento 200 mm
Dimensão 200x95x40x4
Dimensão do furo 13 mm
Espessura do material 4 mm
Largura 40 mm
Material Aço inoxidável, livre de ferrugem 1.4301
Pegada de CO2 (GWP) do berço ao portão 2,2275 kg CO2e / 1 Peça
Superfície brilhante, pós-tratamento
Versão com perfuração de passagem de 13 mm
Todos os tipos

Todos os tipos

Tipo Comprimento Largura Ref. Quantidade Qte. minima fornec.
GMS 4 VP T A2 200 mm 40 mm 1124695
10 Unidade
Downloads

Download

Download

GMS 4 VP T A2 / 1124695
Download