Placa de união em X, A2

Ref. 1124697 | EAN 4012195804963

1124697 / GMS 5 VP X A2
150 mm
40 mm
Descrição do produto
Descrição do produto
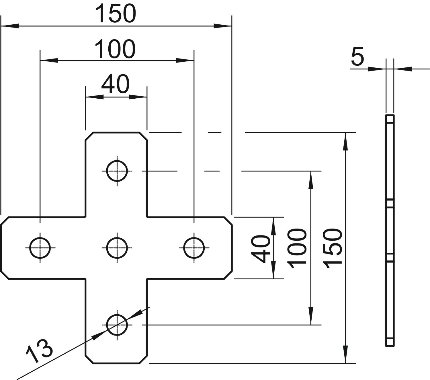
Cruzeta com 5 orifícos para a ligação de perfis de 41 x 41 mm e 41 x 21 mm.


  • Communautés Européennes, Declaração de Conformidade CE conforme as directivas CE
  • Pegada de CO₂ (PCF)
Dados técnicos

Dados técnicos

Aço inoxidável, decapado não
Adequado para formas do perfil Perfil C
Altura 4 mm
Com acessórios de parafusos não
Comprimento 150 mm
Dimensão 150x150x40x4
Dimensão do furo 13 mm
Espessura do material 4 mm
Largura 40 mm
Material Aço inoxidável, livre de ferrugem 1.4301
Pegada de CO2 (GWP) do berço ao portão 2,7062 kg CO2e / 1 Peça
Superfície brilhante, pós-tratamento
Versão com perfuração de passagem de 13 mm
Todos os tipos

Todos os tipos

Tipo Comprimento Largura Ref. Quantidade Qte. minima fornec.
GMS 5 VP X A2 150 mm 40 mm 1124697
10 Unidade
Downloads

Download

Download

GMS 5 VP X A2 / 1124697
Download