Proteção do cabo de dados encaixável, 2 polos, ligação à terra indireta, com OS, 24 V

Ref. 5080353 | EAN 4012196746613

5080353 / PDP-2-24-I-OS
4
2x2 polos
21 V
30 V
Bornes
Descrição do produto
Descrição do produto
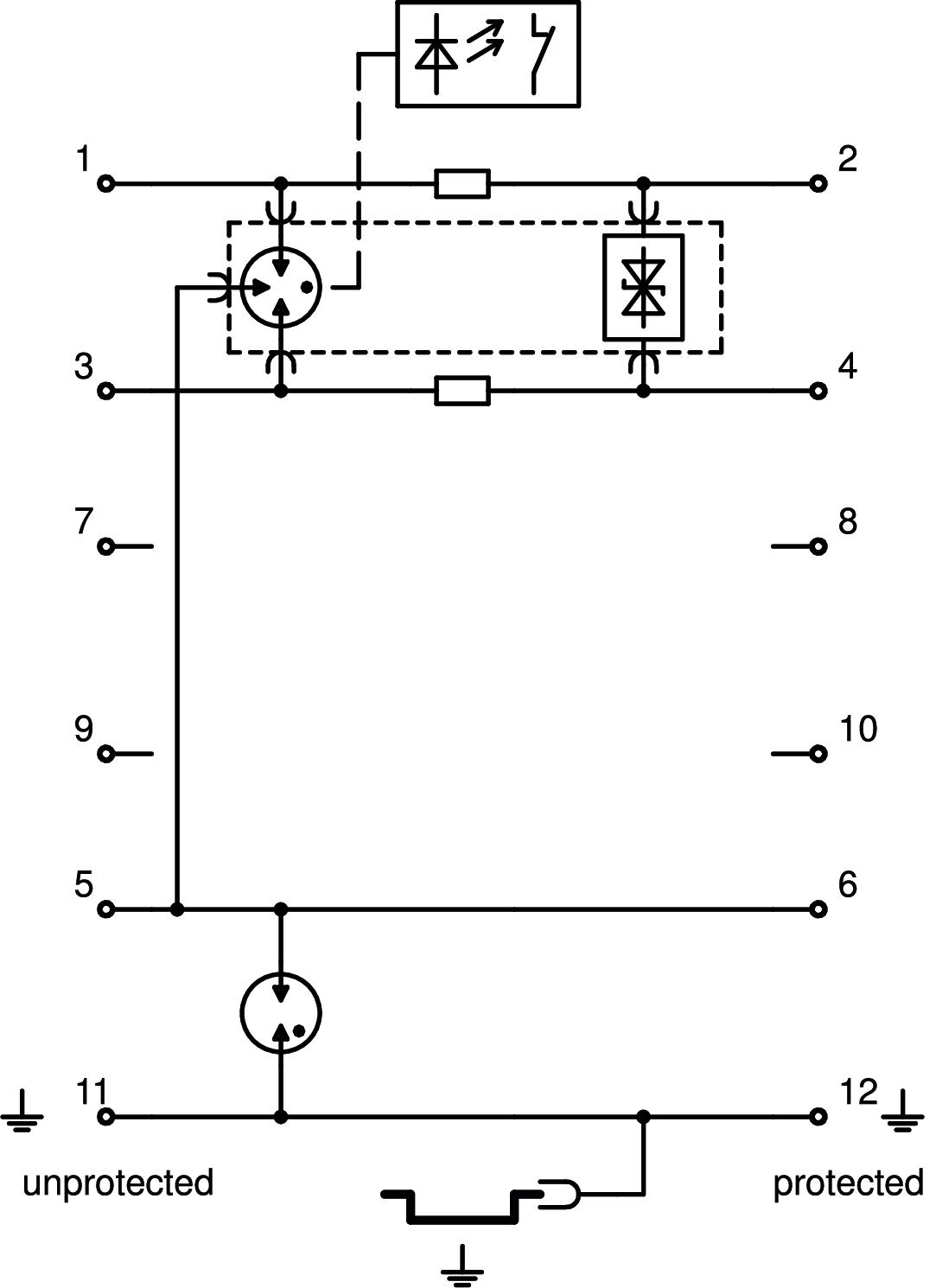
Proteção do cabo de dados encaixável tipo 1+2/D1+C2 para utilização na tecnologia de medição, controlo e regulação

• Aparelho de proteção para sistemas de vários cabos
• Ligação de blindagem à terra direta
• Gama de frequências até 100 MHz
• Ligação à terra é possível através de calha DIN ou cabo de ligação
• Largura de construção reduzida de 17,5 mm
• Alta disponibilidade do sistema - não há interrupção do sinal sem módulo de proteção
• Com sinalização visual e possibilidade de sinalização remota através da alimentação PDP-PS
• Inclui conetor de bus integrado

Aplicação: Proteção universal contra raios e sobretensão para dispositivos de transmissão de dados em tecnologia MSR.
  • 5 anos de garantia
  • Communautés Européennes, Declaração de Conformidade CE conforme as directivas CE
  • Sistemas de medição, de controlo e de regulação
  • Transição de LPZ 0 a 2.
  • Installation electrotechnical expertise
  • Pegada de CO₂ (PCF)
Dados técnicos

Dimensões

Altura 95 mm
Amortecimento de inserção (Insertion loss) ≤3 dB
Blindagem indireto
Capacidade (fio-fio) ≤30 pF
Capacidade (fio-terra) ≤30 pF
Classificação segundo EN 61643-11 Tipo 1+2
Classificação segundo IEC 61643-1 classe I+II
Comprimento 75 mm
Corrente de carga nominal CA 0,425 A
Corrente de carga nominal CC 0,6 A
Corrente de impulso 2,5 kA
Corrente transitória total (8/20) 20 kA
Dimensão 24V
DST segundo IEC 61643-21 Classe I+II / D1+C2
Frequência limite 100 MHz
Gama de temperaturas de aplicação máx. 80 °C
Gama de temperaturas de aplicação mín. -40 °C
Grau de proteção IP20
Intensidade nominal de descarga (8/20 µs) 10 kA
Intensidade nominal de descarga In para C2 (total) 20 kA
Kategorie Tipo 1+2 / D1+C2
Largura 17,5 mm
Ligação à terra através de: Cabo de ligação/Calha DIN
Ligação de blindagem sim
LPZ 0→2
Montagem entrada / saída Réguas de junção
Nível de proteção blindagem - terra (S-PE) 1300 V
Nível de proteção fio - fio 150 V
Nível de proteção fio - terra 1600 V
Norma de ensaio IEC 61643-21
Número de polos 4
Pegada de CO2 (GWP) do berço ao portão 1,117 kg CO2e / 1 Peça
Potência dissipada total (10/350) 2,5 kA
Resistência da potência de dissipação nominal fio - fio 10 kV / 5 kA
Resistência da potência de dissipação nominal fio - terra 10 kV / 5 kA
Resistência de série por fio 1,2 Ω ± 5%
Resistência em série 1.2 ± 5%
Secção transversal de ligação flexível máx. 1,5 mm²
Secção transversal de ligação flexível mín. 0,14 mm²
Secção transversal de ligação multifilar máx. 2,5 mm²
Secção transversal de ligação multifilar mín. 0,14 mm²
Secção transversal de ligação rígida máx. 2,5 mm²
Secção transversal de ligação rígida mín. 0,14 mm²
Sinalização no aparelho nenhuma
Sistema de encaixe Bornes
Tensão continua máxima CA 21 V
Tensão continua máxima CC 30 V
Versão 2x2 polos
Todos os tipos

Todos os tipos

Tipo Número de polos Versão Tensão continua máxima CA Tensão continua máxima CC Sistema de encaixe Ref. Quantidade Qte. minima fornec.
PDP-2-24-I-OS 4 2x2 polos 21 V 30 V Bornes 5080353
1 Unidade
Downloads

Download

Download
Download

Declaração de conformidade UE PDP-2-24-I-OS / 5080353 , 0.13MB , pdf
Download
REACH Declaração de conformidade PDP-2-24-I-OS / 5080353 , 0.12MB , pdf

Download
Download

PDP-2-24-I-OS / 5080353
Download