Proteção MCR para alimentação de energia, 2 polos, com sinalização remota 230 V AC

Ref. 5097858 | EAN 4012195578215

5097858 / VF230-AC-FS
255 V
IP20
Descrição do produto
Descrição do produto
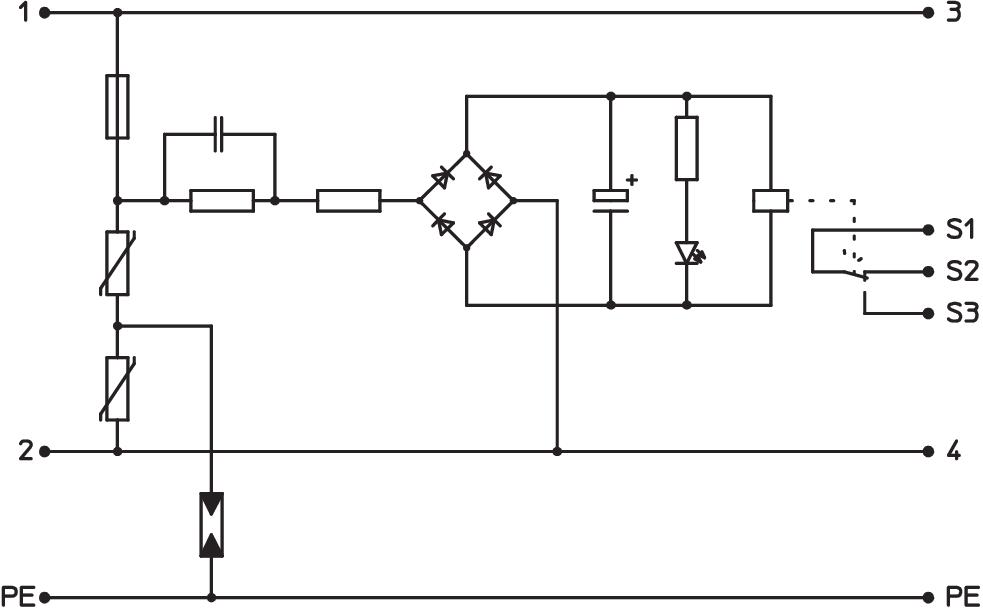
Proteção contra sobretensões/proteção fina de redes tipo 3, conforme EN 61643-11, com sinalização à distância

 

• Com sinalização remota de contacto de inversão isolado para a monitorização de funcionamento

• Indicado para sistemas de tensão alternada AC

• Com indicador ótico de funcionamento

• Com bornes de ligação fáceis de montar e sem parafusos

• Dimensões modulares reduzidas de 17,5 mm

• Conexão em estrela

 

Aplicação: utilização universal em calha DIN 35 mm em caixas de distribuição convencionais.
  • MAGYAR ELEKTROTECHNIKAI ELLENŐRZŐ INTÉZET Budapeste, Hungria
  • 5 anos de garantia
  • Communautés Européennes, Declaração de Conformidade CE conforme as directivas CE
  • Dispositivo de proteção conforme EN 61643-11 ou IEC 61643-11
  • Transição de LPZ 2 para 3
  • Sinalização remota
  • Installation electrotechnical expertise
  • Pegada de CO₂ (PCF)
  • Embalagem sem plástico
Dados técnicos

Dados técnicos

Classe de verificação tipo 3 sim
Classificação segundo EN 61643-11 Tipo 3
Classificação segundo IEC 61643-1 classe III
Configuração de rede outros
Contactos FM Inversor
Dimensão 230V AC
Fluxo de ar não
Gama de temperaturas de aplicação máx. 80 °C
Gama de temperaturas de aplicação mín. -40 °C
Grau de proteção IP20
Intensidade nominal de descarga (8/20 µs) 2,5 kA
LPZ 2→3
Nível de proteção em conjunto [L-PE] 1500 kV
Nível de proteção fio - fio <1060 V
Nível de proteção fio - terra <1400 V
Nível de proteção [L-N] ≤1000
Número de polos 3
OBO_Corrente de carga nominal (terminal de entrada/de saída) 20 A
Pegada de CO2 (GWP) do berço ao portão 0,8639 kg CO2e / 1 Peça
Potência de dissipação máxima (8/20 μs) 7 kA
Secção transversal do condutor rígida (de um fio/vários fios) máx. 2,5 mm²
Secção transversal do condutor rígida (de um fio/vários fios) mín. 0,14 mm²
Sinalização à distância sim
Sinalização no aparelho ótico
Temperatura operacional máx. 80 °C
Temperatura operacional mín. -40 °C
Tempo de resposta <25 ns
Tensão continua máxima CA 255 V
Tensão nominal CA (50 / 60 Hz) 230 V
Tipo de montagem Calha DIN de 35 mm
Versão verificada quanto a explosões não
Todos os tipos

Todos os tipos

Tipo Tensão continua máxima CA Grau de proteção Ref. Quantidade Qte. minima fornec.
VF230-AC-FS 255 V IP20 5097858
1 Unidade
Downloads

Download

Download
Download

Declaração de conformidade UE VF230-AC-FS / 5097858 , 0.13MB , pdf
Download
REACH Declaração de conformidade VF230-AC-FS / 5097858 , 0.13MB , pdf
RoHS Declaração de conformidade VF230-AC-FS / 5097858 , 0.13MB , pdf

Download
Download

Não estão disponíveis quaisquer memórias descritivas para este produto