- Descrição do produto
-
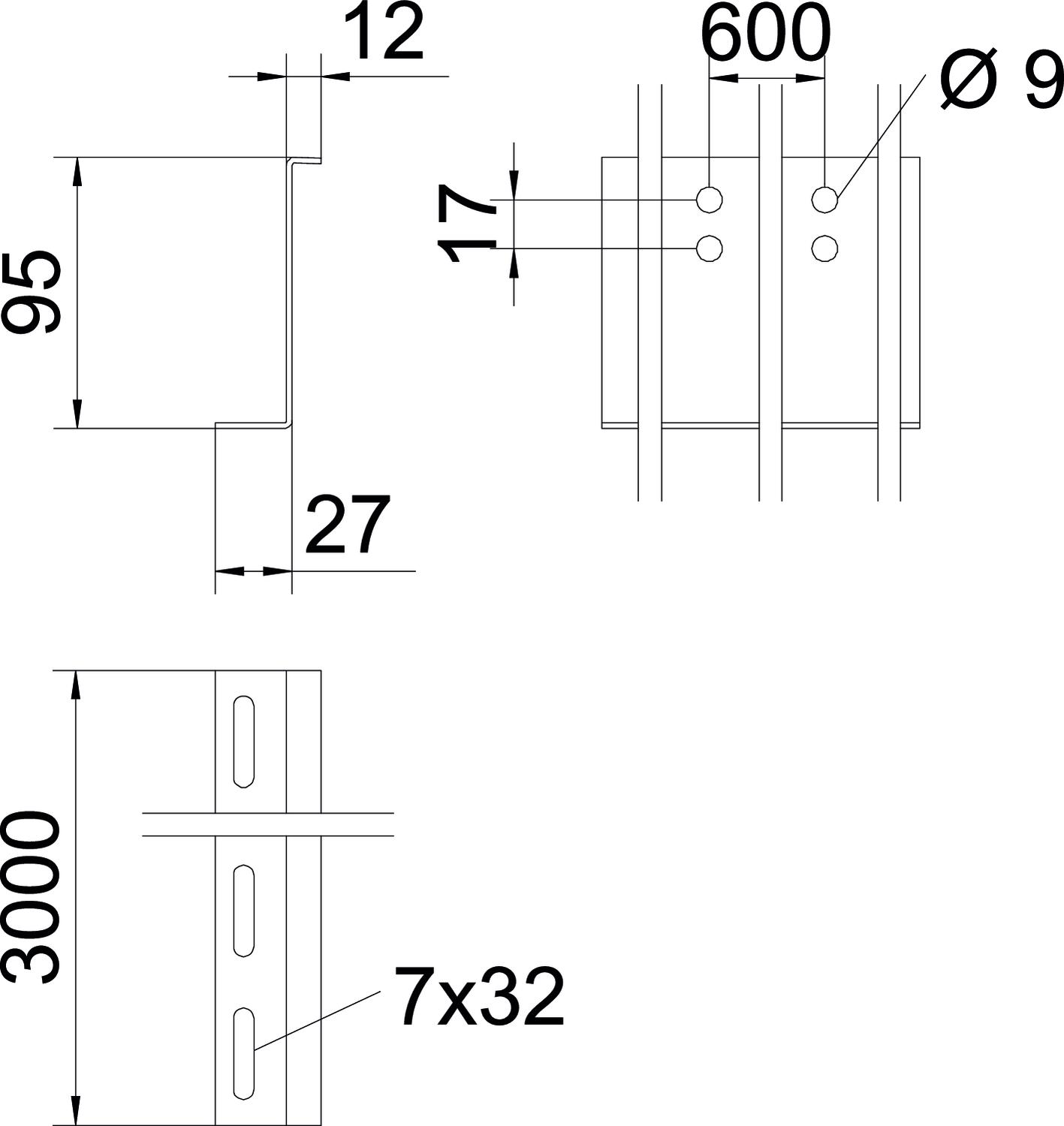
Descrição do produtoSeparador para caminhos de cabos para passagens BKRS. Fixação com parafusos de cabeça boleada M 6 x 12 mm na base perfurada.
A partir de uma largura de 200 mm deve ser aplicado um separador com uma dimensão máxima de compartimento de 220 mm.
A partir de uma largura de 500 mm devem ser aplicados dois separadores com uma dimensão máxima de compartimento de 220 mm.
-
- Dados técnicos
-
Dados técnicos
Abertura de fixação (ETIM) sim Aço inoxidável, decapado não Altura 95 mm Altura 4 in Apropriada para caminho de cabos em chapa sim Apropriada para caminho de cabos em varão não Apropriada para caminho de cabos tipo escada não Comprimento 3000 mm Comprimento 10 ft Cor zinco Dimensão 100x2x3000 Espessura das chapas 2 mm Funktionsgaranti não Largura 34 mm Material Aço Medida H 100 mm Medida L 3000 mm Pegada de CO2 (GWP) do berço ao portão 4,3791 kg CO2e / 1 Metro Superfície galvanizado pelo método Sendzimir Versão Outros - Todos os tipos
- Downloads
-
Ficha técnica TSG100Z BKRS FS / 6062390 , 0.22MB , pdfNotas explicativas KTS cable tray systems , 1.61MB , pdfDeclaração de conformidade UE TSG100Z BKRS FS / 6062390 , 0.13MB , pdfDeclaração de Conformidade do Reino Unido TSG100Z BKRS FS / 6062390 , 0.09MB , pdfREACH Declaração de conformidade TSG100Z BKRS FS / 6062390 , 0.12MB , pdfRoHS Declaração de conformidade TSG100Z BKRS FS / 6062390 , 0.12MB , pdfInstruções de montagem Instruções de montagem, sistemas de caminhos de cabos tipo escada , 6.45MB , pdfInstruções de montagem General information on the mounting , 2.65MB , pdfInstruções de montagem BKRS walkable cable tray systems , 5.36MB , pdfInstruções de montagem Begehbares Kabelrinnensystem BKRS für VW AG nach VASS-Standard , 4.17MB , pdfInstruções de montagem Instruções de montagem, caminhos de cabos para passagens BKRS para Porsche AG , 0.06MB , pdf
Portugal - Português
Parafuso de cabeça boleada com porca combinada F